Каталог товаров

Электропривод RLF05-220S(H)

Код: РВР00275791
Нет в наличии
Страна происхождения
КИТАЙ
Единица измерения
шт
Вес (кг)
1.7
Описание товара
Характеристики
Описание товара
Электроприводы с возвратной пружиной предназначены для управления противопожарными клапанами. В случае необходимости электропривод возвращается в защитное положение под действием возвратной пружины при отключении электропитания.
Характеристики товара
Файлы
Электроприводы РОВЕН.pdf

Габаритные размеры

RLF(H)_чертеж.jpg

Модель

B

C

L

Размер вала, мм

Масса, кг

RLF05-220S(H)

59

98

156

□ 12х12

<2,0

Технические характеристики

Модель

Номинальное напряжение, В

Крутящий

момент, Н·м**

Площадь

заслонки, м²**

Потребляемая мощность,

при вращении/

в состоянии покоя, Вт

Рабочая

температура, °С

Время

срабатывания, с

Управление

RLF05-220S(H)*

220

5

<1,0

5,0/3,0

-30...+50

<70

(пружина <20)

2-х

позиционное

* S - 2 вспомогательных SPDT переключателя.
** Площадь заслонки указана справочно. При выборе электропривода необходимо учитывать также величину необходимого крутящего момента.

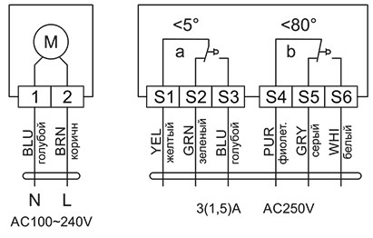
Электрические схемы подключения

RLF-03-05-220S(H) элсхема.jpg