Каталог товаров

Клапан противопожарный ОЗ-180

Клапан противопожарный ОЗ изготавливается в режиме нормально открытого (огнезадерживающего) клапана (НО), в режиме нормально закрытого клапана (НЗ).
СДЕЛАНО В РОВЕН
Описание товара
Характеристики моделей
Купить
Руководства

Клапан противопожарный ОЗ изготавливается с режимами работы: 

  • (НО) нормально открытый (огнезадерживающий);
  • (НЗ) нормально закрытый (приточные, вытяжные и дымоудаления). 

Нормально открытый (НО) предназначен для блокирования распространения огня и продуктов горения по воздуховодам, шахтам и каналам систем вентиляции и кондиционирования при пожаре в зданиях и сооружениях различного назначения. Устанавливается в проемах или в местах прохода указанных систем через противопожарные преграды с нормируемым пределом огнестойкости (противопожарные стены, перегородки и перекрытия).
Нормально закрытый (НЗ) предназначен для использования в системах приточной и вытяжной противодымной вентиляции и в системах дымоудаления. Открывается во время или после пожара. Устанавливается в проемах стен, перекрытий, подвесных потолков, а также в торце воздуховодов.
Применение клапана ОЗ осуществляется в соответствии с требованиями СП 60.13330.2020, CП 7.13130.2013, ГОСТ Р 53301-2013 и действующими территориальными строительными нормами.
Климатическое исполнение и категория размещения - УЗ по ГОСТ 15150-69. Окружающая среда не должна содержать агрессивных паров и газов в концентрациях, разрушающих металлы, лакокрасочные покрытия и изоляцию.
Клапаны не подлежат установке в помещениях категорий А и Б по взрывопожароопасности, в системах вентиляции и местах отсоса взрывопожароопасных и агрессивных сред, а также в системах, не подвергающихся очистке от горючих отложений.
Клапаны ОЗ состоят из корпуса, заслонки и привода. Выпускаются прямоугольного сечения.
Клапаны прямоугольного сечения по умолчанию изготовлены с присоединительными фланцами.
Противопожарные клапаны ОЗ изготавливаются из оцинкованной стали. 

Предел огнестойкости EI 180 где: 

E – потеря целостности. Она проявляется образованием в конструкции сквозных отверстий или трещин, через которые на обратную (необогреваемую) поверхность проникают продукты горения и (или) открытое пламя.
I – Потеря теплоизолирующей способности. Она характеризуется повышением температуры на необогреваемой поверхности конструкции до предельных значений.
180 – количество минут от начала огненного воздействия до проявления одного или нескольких признаков предельных состояний. 

Конструктивно клапаны ОЗ-180 изготавливаются двухсекционными. В двухсекционных клапанах, между секциями проложен огнеупорный материал, выполняющий роль температурного шва.

Способы управления заслонкой клапана ОЗ

Тип привода

Принцип срабатывания привода

Механизм перевода заслонки

Способ перевода заслонки

в рабочее положение

в исходное положение

из рабочего положения в исходное (многократное использование)

Из исходного положения в рабочее

М

отключение питающего напряжения

возвратная пружина

электропривод

дистанционный с пульта управления

автоматический, по сигналам пожарной автоматики;

 

дистанционный с пульта управления

 

от кнопки/тумблера в месте установки клапана

вручную

Р

подача напряжения на соответствующие клеммы питания привода

электропривод

электропривод

дистанционный с пульта управления

вручную

ЭМ

подача напряжения на электромагнит*

возвратная пружина

-

вручную

* Подача напряжения на катушку электромагнита не более 1 минуты по требованиям производителя.

Удельное сопротивление дымогазопроницанию*

L*H, мм

(проходное сечение клапана)

D, мм

(диаметр проходного сечения клапана)

Удельное сопротивление, м3/кг

100*100...500*500

100...315

не менее 12000

свыше 500*500...1000*1000

355...710

13000...25000

свыше 1000*1000...1500*1000

800

свыше 25000

 * Удельное сопротивление указано для цельного клапана (не в виде кассет) согласно таблицам типоразмерного ряда.

Файлы
Клапаны противопожарные типа ОЗ.pdf

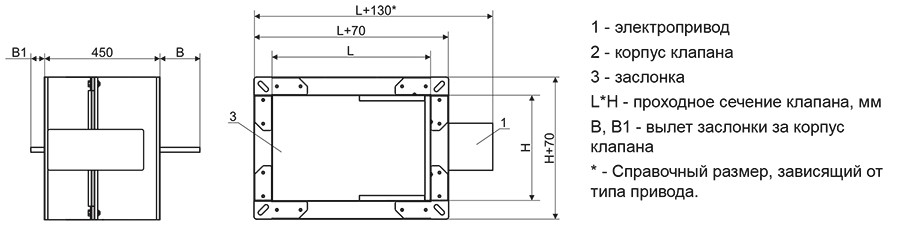
Габаритные и присоединительные размеры (мм)

Клапаны противопожарные ОЗ прямоугольного сечения изготавливаются с шагом 50 мм.
Клапаны размером свыше максимального изготавливаются в виде кассеты из нескольких цельных клапанов, при этом общая высота (H) кассеты не больше 1500 мм.
Длина (L) цельного клапана должна быть больше высоты (H).

Минимальные и максимальные размеры клапанов ОЗ прямоугольного сечения

Тип клапана

Проходное сечение (L*H), мм

минимальное

максимальное

цельного клапана

клапана в виде кассет

Канальный

200*200

1500*500

1000*1000

2000*1500

Типоразмеры клапанов ОЗ прямоугольного сечения канального типа

Типоразмер клапанов ОЗ прямоуг канальные.jpg

Клапаны ОЗ-180 прямоугольного сечения канального типа

ОЗ-180 прямоуг канальный_чертеж.jpg

Величина вылета заслонки клапанов ОЗ-180 прямоугольного сечения канального типа

H, мм

200

250

300

350

400

450

500

550

600

650

700

750

800

850

900

950

1000

B, мм

0

0

0

0

0

20

45

70

95

120

145

170

195

220

245

270

295

B1, мм

0

0

0

0

0

0

0

10

35

60

85

110

135

160

185

210

235

Масса клапанов ОЗ-180 прямоугольного сечения канального типа, кг

ОЗ-180 прямоуг канальный_масса.jpg

Клапаны ОЗ-180 канального типа в виде кассет

ОЗ-180 прямоуг канальный_кассеты.jpg

Коэффициент местного сопротивления ε клапанов ОЗ-180 канального типа

ОЗ-180 прямоуг канальный_коэффициент.jpg

Площадь живого сечения клапанов ОЗ-180 прямоугольного сечения канального типа, м2

ОЗ-180 прямоуг канальный_площадь.jpg

Характеристики электромагнитного привода и приводов производства РОВЕН

Характеристика

Электро-магнитный

Электромеханический РОВЕН*

Реверсивный РОВЕН*

RLF03-24S

RLF03-220S

RLF05-24S

RLF05-220S

RLE10- 24S

RLE10- 220S

Время поворота, с

2

25...45 (возвратная пружина <15)

50...70 (возвратная пружина <25)

<30

<30

Крутящий момент, Нм

-

3

3

5

5

10

10

Напряжение электропитания привода, В

24/220

~24±10%

~230±10%

~24±10%

~230±10%

24

220

Потребляемая мощность, Вт

во время вращения

70

5,0

5,0

5,0

5,0

4,0

4,0

в состоянии покоя

-

3,5

3,5

3,5

3,5

3,0

3,0

Рабочая температура, °С

-30...+50

-30..+50

-30..+50

-30..+50

-30..+50

-30..+50

-30..+50

Степень защиты

IP54

IP54

IP54

IP54

IP54

IP54

IP54

Вес, кг

1,5

1,2

1,2

1,8

1,8

1,8

1,8

* Полная информация по электроприводам РОВЕН в разделе "Электроприводы RWE/RWF, RLE/RLF".

Схемы установки клапанов

Схемы установки клапанов ОЗ.jpg

А - обслуживаемое помещение;
Б - помещение, смежное с обслуживаемым;
1 - строительная конструкция; 2 - корпус клапана; 3 - воздуховод; 4 - ось заслонки; 5 - наружная огнезащита; 6 – отрезок воздуховода; 7 - уголок, ограничивающий часть поверхности корпуса клапана, которая устанавливается в строительную конструкцию или покрывается огнезащитой (при установке клапана за пределами конструкции); 8 - защитный кожух, 9 - привод.

Электрические схемы подключения клапанов ОЗ

Клапаны ОЗ_электросхемы.jpg

ОЗ-180 прямоуг_маркировка.jpg


Не представленные в наличии модели доступны к поставке под заказ

Оповестить о поступлении

Спасибо за обращение!
Наш менеджер свяжется с вами.
Руководство по эксплуатации ОЗ.pdf

Всю необходимую информацию также можно получить по телефону «горячей линии»

+ 7 800 200 93 96

или по телефону

+7 800 505 08 67 получить консультацию